Question 374Electricity/Electronics - Assistant Engineer70% to pass
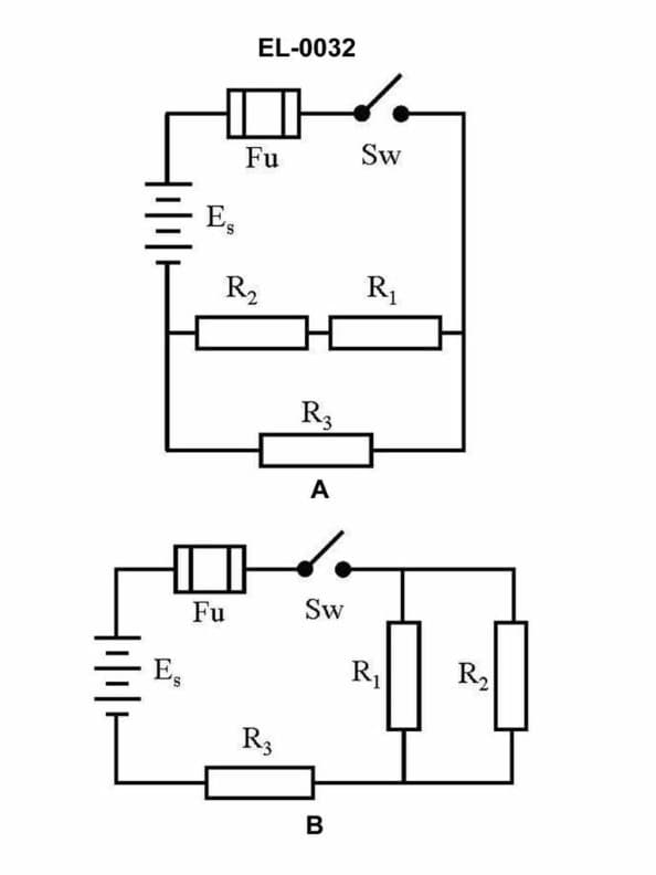
What would be the total power consumed by the circuit as shown in figure "A" of the illustration if the source voltage is 12 volts, the resistance for R1 is 470 ohms, the resistance of R2 is 330 ohms, and the resistance of R3 is 800 ohms? Illustration EL-0032

AI Explanation
The correct answer is C) 360 milliwatts.
To calculate the total power consumed by the circuit, we can use the formula P = V^2 / R, where P is the power, V is the source voltage, and R is the resistance.
For the given circuit, the total resistance is the sum of the individual resistances: R1 (470 ohms), R2 (330 ohms), and R3 (800 ohms), which equals 1600 ohms. Plugging the values into the formula, we get P = (12V)^2 / 1600 ohms = 144 / 1.6 = 360 milliwatts.
The other options are incorrect because they do not accurately reflect the total power consumed by the circuit given the provided resistance values and source voltage.
Related Questions
#371 From the information given in the illustration, what would be the maximum output amperage available from the emergency generator if it operated with a power factor of 0.9? Illustration EL-0106 #373 What would be the total power consumed by the circuit as shown in figure "B" of the illustration if the source voltage is 12 volts, the resistance for R1 is 470 ohms, the resistance of R2 is 800 ohms, and the resistance of R3 is 330 ohms? Illustration EL-0032 #375 What would be the voltage drop across the parallel branches of the circuit shown in figure "B" of the illustration if the source voltage is 30 volts, the resistance for R1 is 10 ohms, the resistance for R2 is 10 ohms and the resistance for R3 is 10 ohms? Illustration EL-0032 #376 What would be the total current draw of the circuit as shown in figure "A" of the illustration if the source voltage is 24 volts, the resistance for R1 is 12 ohms, the resistance for R2 is 24 ohms, and the resistance for R3 is 36 ohms? Illustration EL-0032 #377 Referring to the illustration pertaining to the semi-automatic navigation light panel circuit, assuming that the transfer switch is in the primary lamp position, in addition to the buzzer sounding, what will be the response of the indicator lamps when the primary lamp of the particular navigation light burns out? Illustration EL-0108