Question 388Electricity/Electronics - Assistant Engineer70% to pass
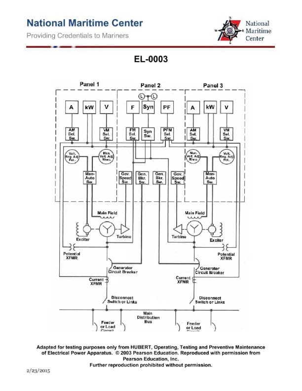
In the diagram of the switchboard shown in the illustration, what is the function of the device labeled "Gen. Bkr. Sw."? Illustration EL-0003

AI Explanation
The correct answer is D) it allows the alternator circuit breaker to be opened or closed remotely at the synchronizing panel.
The "Gen. Bkr. Sw." (or Generator Breaker Switch) is a device that allows the operator to remotely open or close the alternator circuit breaker from the synchronizing panel. This is a common feature on marine electrical switchboards to provide remote control of the generator circuit breaker, which is an important safety and operational function.
The other answer choices are incorrect because they describe functions that are not typically associated with a basic generator circuit breaker switch. The circuit breaker's overload, short circuit, and tripping functions are usually controlled by the breaker itself or its associated protective relays, not the remote switch.
Related Questions
#386 What application would the switchboard instrumentation panel shown in the illustration best be suited for? Illustration EL-0040 #387 Which of the following represents a characteristic of an ungrounded electrical distribution system? #389 How is a wattmeter electrically connected in a circuit? #390 It is desired to add additional 120 VAC, 100 watt lighting fixtures in the accommodations, port side fed from circuit No.1 #391 According to 46 CFR, Subchapter J (Electrical Engineering) regulations, what is the minimum conductor size associated with a 25 or 30 ampere lighting branch circuit supplying a non- switched cargo-hold light fixture?