Question 397Electricity/Electronics - Assistant Engineer70% to pass
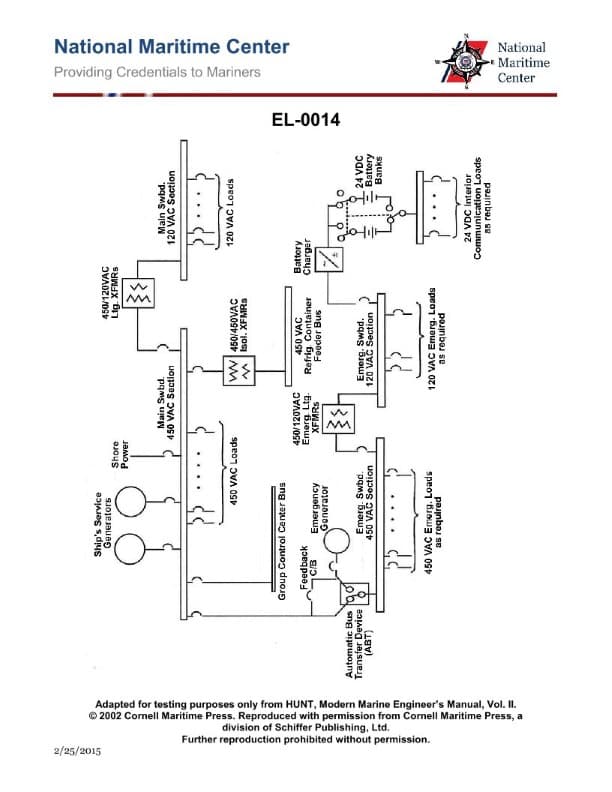
What is a purpose of the automatic bus transfer device shown in the illustration? Illustration EL-0014

AI Explanation
The correct answer is C) Provide power to the 450 VAC emergency bus from the emergency generator in the emergency mode.
The purpose of the automatic bus transfer device shown in the illustration is to provide power to the 450 VAC emergency bus from the emergency generator when the main power source is lost. This ensures that critical systems and equipment can continue to operate during an emergency situation, even if the main power supply is interrupted.
The other answer choices are incorrect because they do not accurately describe the function of the automatic bus transfer device in this specific scenario. The device is not intended to provide power from the main bus to the emergency bus, or vice versa, but rather to connect the emergency bus to the emergency generator when needed.
Related Questions
#395 In the illustration of the one-line distribution system diagram, if the ship's service generator on line fails, what statement is true concerning the operation of the emergency diesel- generator? Illustration EL-0014 #396 Upon failure of the normal power supply, how is the emergency generator placed on the line to feed power to the emergency bus? #398 Referring to the containership one-line distribution diagram shown in the illustration, what statement is true concerning the battery charger? Illustration EL-0014 #399 Referring to the containership one-line distribution diagram shown in the illustration, what is the purpose of the feedback circuit breaker as used to bypass the automatic bus transfer device? Illustration EL-0014 #400 Referring to the containership one-line distribution diagram shown in the illustration, what is the purpose of the transformers providing power to the refrigerated container feeder bus? Illustration EL-0014