Question 472Electricity/Electronics - Assistant Engineer70% to pass
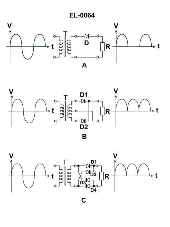
What is the name for the device shown in figure "A" of the illustration? Illustration EL-0064

AI Explanation
The correct answer is C) half wave rectifier.
A half wave rectifier is a type of electrical circuit that converts alternating current (AC) into direct current (DC) by allowing only one half of the AC waveform to pass through. This is the device shown in figure "A" of the illustration EL-0064.
The other answer choices are incorrect because: A) a DC filter is a different circuit used to smooth out ripple in a DC signal, B) a full wave bridge rectifier is a more complex circuit that allows both halves of the AC waveform to pass through, and D) a full wave rectifier is also a more complex circuit that uses four diodes to achieve full wave rectification, unlike the single diode shown in the illustration.
Related Questions
#470 The component labeled 'CR1' in the circuit shown in the illustration serves what functional purpose? Illustration EL-0085 #471 In which section of the 24 VDC power supply circuit illustrated does the greatest change in voltage level take place when fed from 120 VAC ship's power? Illustration EL-0085 #473 A common-emitter circuit has an input voltage of 0.1 volt, an output voltage of 2.0 volts, an input current of 0.5 milliamps, and an output current of 10 milliamps. What is the power gain? #474 Silicon diodes which are designed for a specific reverse breakdown voltage, and are most often used as electronic power supply voltage regulators, are specifically what type of diode? #475 What is the correct term for the fluctuation of voltages in figure "H" shown in the illustration? Illustration EL-0085