Question 232Electricity/Electronics - 1st Asst/Chief70% to pass
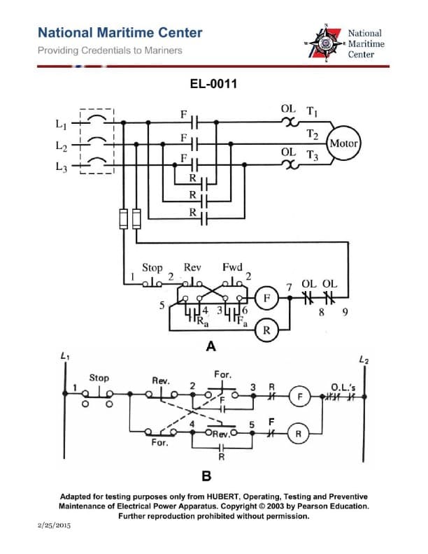
Referring to figure "B" of the illustrated control circuit schematic diagram, which of the following statements is true when the motor is running in the forward direction? Illustration EL-0011

AI Explanation
The correct answer is A) The normally open (NO) "F" contacts are closed.
When the motor is running in the forward direction, the normally open "F" contacts would be closed to complete the circuit and allow current to flow to the motor. This is because the "F" contacts are associated with the forward rotation of the motor.
The other answer choices are incorrect because: B) The normally closed "F" contacts would be open, not closed, when the motor is running forward. C) The normally open "R" contacts would not be closed, as they are associated with the reverse rotation of the motor. D) The normally closed "R" contacts would be open, not closed, when the motor is running forward.
Related Questions
#230 An open in the armature of a DC motor is suspected, but is not found by visual inspection of the commutator. What would be the next step in troubleshooting this problem? #231 As shown in the illustration, what type of motor and motor starter are featured? Illustration EL-0137 #233 As shown in the illustrated steering hydraulic pump motor controller, what statement is true? Illustration EL-0119 #234 What is the function of a shading coil as used in an AC magnetic controller? #235 By what means is the rotation of a three-phase induction motor reversed?