Question 134Electricity/Electronics - QMED70% to pass
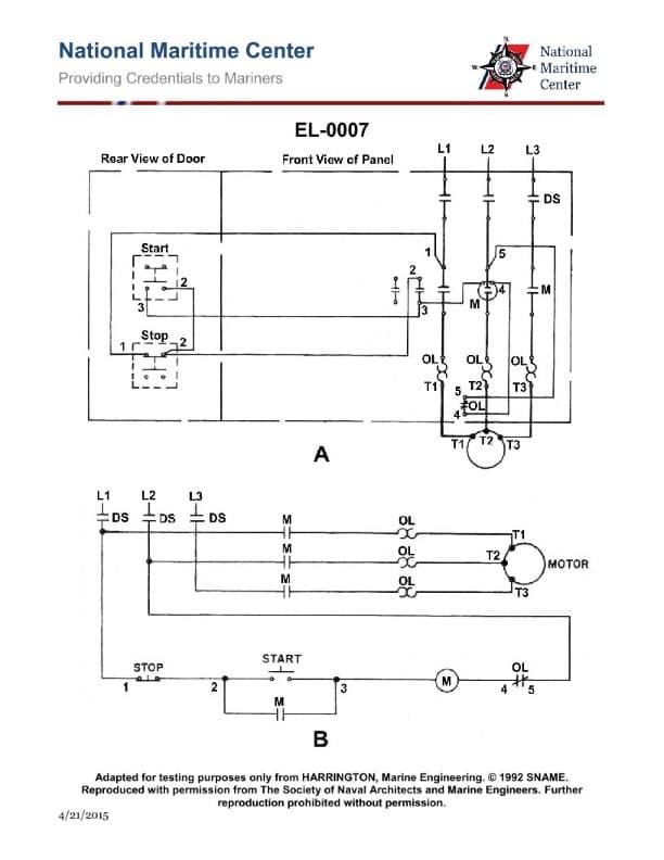
The motor starts when the start button in the illustration is pushed, but stops when the button is released. What is most likely the trouble? Illustration EL-0007

AI Explanation
The correct answer is A) an open auxiliary "M" contact.
When the start button is pushed, it energizes the "M" contactor coil, which closes the main contacts to start the motor. However, when the start button is released, the "M" contactor coil should remain energized through the auxiliary "M" contact to keep the motor running. If the auxiliary "M" contact is open, the "M" contactor coil will de-energize, causing the motor to stop when the start button is released.
The other options are incorrect because: B) a corroded contact on the disconnect switch (DS) at 'L3' would not cause the motor to stop when the start button is released, C) an open "M" contactor coil would prevent the motor from starting in the first place, and D) an open in the stop button contact would not cause the motor to stop when the start button is released.
Related Questions
#132 In the illustrated motor controller, the motor fails to start. A voltmeter reading between 1 and 5 reads line voltage, while the voltmeter reading between 2 and 5 reads 0 VAC. What is most likely the problem? Illustration EL-0007 #133 If you hear a loud buzzing noise coming from a magnetic motor controller, what should you do? #135 The motor fails to start on an attempted startup. With the start button depressed, a voltmeter reading between 1 and 5, as illustrated in figure "A", indicates line voltage available to the control circuit, what should be your next step in the troubleshooting process? Illustration EL-0007 #136 The illustrated motor fails to start and gives a loud hum when the start button is depressed, what should then be your first action? Illustration EL-0007 #137 What can be the cause of excessive heat or burning contacts in an operating motor controller?