Question 136General Subjects - Assistant Engineer70% to pass
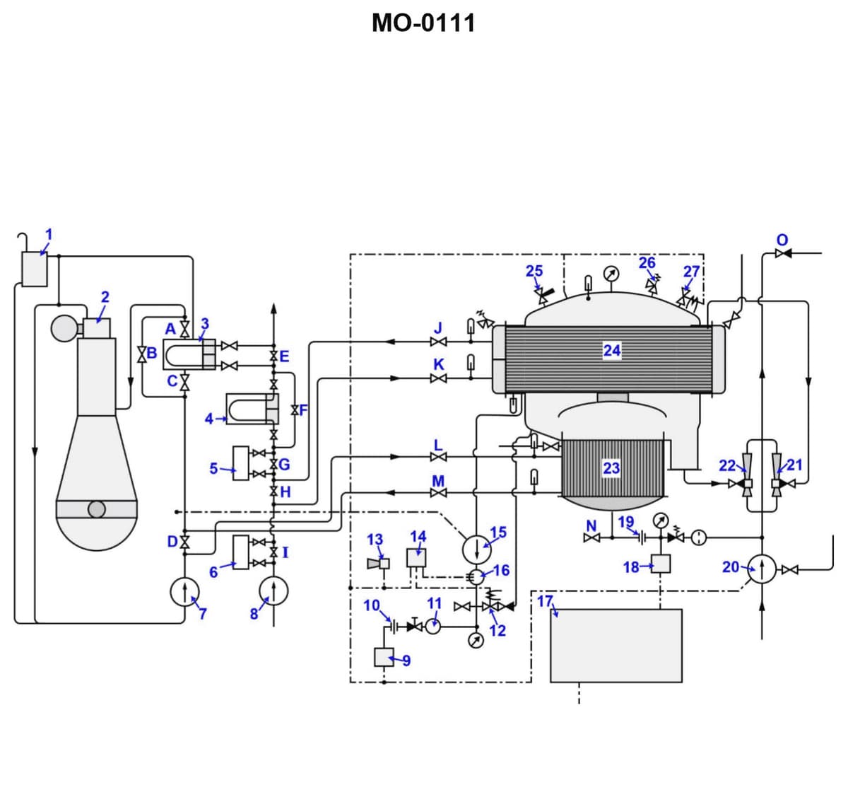
What is a function of the device labeled "1" shown in the illustration? Illustration MO-0111

AI Explanation
The correct answer is D) It provides a low-pressure point for adding chemicals into the jacket water system.
The device labeled "1" in the illustration is likely a petcock or a valve that allows for the introduction of chemicals into the jacket water system. This is a common practice to maintain the proper water chemistry and prevent corrosion or scale buildup in the engine's cooling system.
The other answer choices are incorrect because they do not accurately describe the function of the device labeled "1". Option A is incorrect as it refers to air filtration, which is not the purpose of this component. Option B is incorrect as it describes the function of a pressure relief valve, which is not the same as the device shown. Option C is incorrect as it refers to the removal of crankcase gases, which is not the function of this component.
Related Questions
#134 Which of the following statements describes the approximate relation between the feed water entering the unit shown in the illustration and brine being removed? Illustration MO-0111 #135 Which of the following statements describes what will occur to the volume of water vapor as it is exposed to the lower temperatures existing in the device labeled "24" shown in the illustration? Illustration MO-0111 #137 Hot water heaters used in potable water systems may have multiple heat sources, such as an electric heating element and a jacket water heated tube bundle. What is the primary purpose of such an arrangement? #138 What is used to prevent contamination of a potable water system supplying a plumbing fixture such as a galley sink from a backup of sewage sanitary drains? #139 What type of disinfection system has the disadvantage that it would fail to provide residual disinfectant in the potable water?