Question 302Motor Plants - Assistant Engineer70% to pass
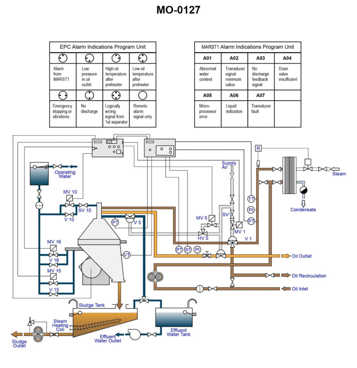
Which of the following statements represents the working principle of the water transducer used with the separator shown in the illustration? Illustration MO-0127

AI Explanation
The correct answer is B) The probe and sensor measure the dielectric constant through capacitive reactance of the process fluid.
The water transducer in the separator system uses a capacitance-based measurement principle to detect the water content in the oil. As the water content in the oil changes, the dielectric constant of the fluid also changes. The probe and sensor in the transducer measure this change in dielectric constant through capacitive reactance, which allows the system to determine the water content. This is the working principle of the water transducer.
The other options are incorrect because they do not accurately describe the working principle of the capacitive water transducer. Option A is incorrect as it describes an inductive circuit, while option C is incorrect as it states the relationship between water content and dielectric constant is opposite to the actual behavior.
Related Questions
#300 In the device shown in the illustration, the component lettered "A" is the_______________. Illustration MO-0012 #301 How is oil supplied to the device shown in the illustration? Illustration MO-0127 #303 Which of the following statements is accurate concerning the vibration sensing device used with the separator shown in the illustration? Illustration MO-0127 #304 The temperature of the contaminated fuel oil fed to the centrifuge shown in the illustration should be _______________. Illustration MO-0012 #305 All alarms occurring on the control unit of the device shown in the illustration will_______________. Illustration MO-0127