Question 729Steam Plants - Assistant Engineer70% to pass
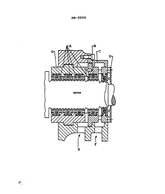
If the gland assembly shown in the illustration is located at the forward end of the high-pressure turbine and the vessel is operating at full speed ahead_______________. Illustration SE-0006

AI Explanation
The correct answer is A) this gland would be self-sealing and provide sealing steam to the other glands.
The gland assembly located at the forward end of the high-pressure turbine is responsible for sealing the turbine shaft and preventing the escape of high-pressure steam. When the vessel is operating at full speed ahead, the high-pressure turbine is under a significant load, and the gland assembly needs to be self-sealing to maintain the proper steam pressure within the turbine. This self-sealing feature allows the gland to provide the necessary sealing steam to the other glands in the system, ensuring the overall integrity of the turbine and the vessel's propulsion system.
The other options are incorrect because they do not accurately describe the function of the gland assembly in the given scenario. Option B is incorrect as a slight vacuum would not exist at "E" when the vessel is operating at full speed ahead. Option C is incorrect as sealing steam would enter both "E" and "F" from the high-pressure turbine. Option D is incorrect as the sealing steam would not come from the low-pressure turbine in this case.
Related Questions
#727 As shown in the illustration, piston "F" in the gland seal regulator is moved upward by _. Illustration SE-0019 #728 Gland sealing steam is used during steam turbine operation to prevent the loss of _______________.#730 Guardian valves are installed on main propulsion turbines to _______________.#731 How is an excess of turbine gland seal steam remedied? #732 In the event of failure of bellows "I" as shown in the illustration, SE-0019 . Illustration