Question 44Steam Plants - 1st Asst/Chief70% to pass
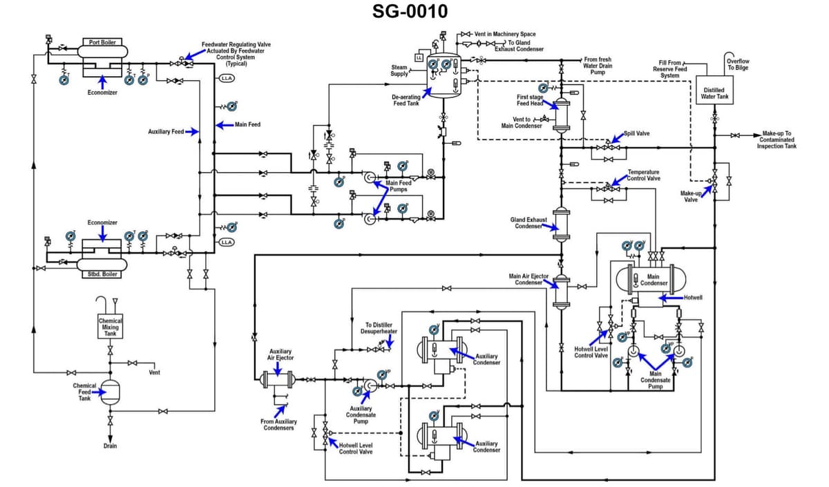
Desecration of condensate primarily occurs in what section of the illustration shown? Illustration SG-0010

AI Explanation
The correct answer is C) DFT (Diesel Fuel Tank).
Desecration of condensate primarily occurs in the diesel fuel tank (DFT) section of the illustration SG-0010. This is because the diesel fuel tank is where contaminants and impurities can accumulate and compromise the quality of the condensate, leading to desecration. The other options, such as the distilled water tank, main condenser hotwell, and first stage feed heater, are not the primary locations where desecration of condensate occurs.
Related Questions
#42 Why is it necessary to have a relief valve protect the deaerating feed tank from internal pressure? #43 The gland exhaust fan draws steam and non-condensable vapors from the gland exhaust condenser and discharges to the _______________.#45 To provide emergency feed water supply to a steaming boiler, if it becomes necessary to secure the DC heater, suction should be taken on the distilled water tank using the _______________.#46 High pressure steam drains are normally discharged to the _______________.#47 Desuperheated steam can be found at the _______________.