Question 24
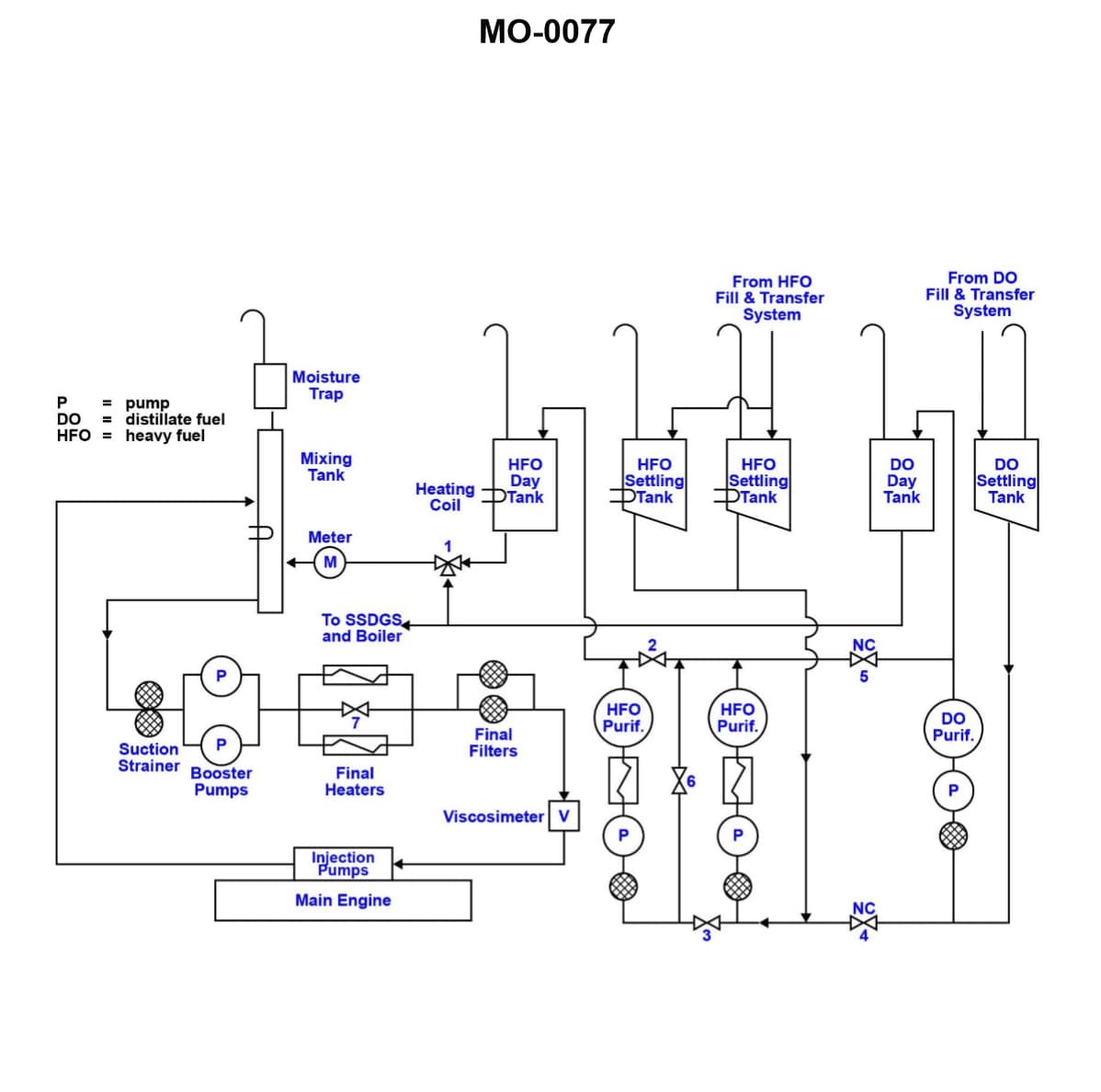
MODE02When operating the HFO purifiers in "parallel", as shown in the illustration __________. Illustration MO-0077

AI Explanation
The Correct Answer is C.
### Explanation for Correct Answer (C)
When operating multiple Heavy Fuel Oil (HFO) purifiers in a **"parallel"** arrangement, both purifiers (Purifier A and Purifier B) draw feed oil simultaneously from the common suction line and discharge purified oil independently into the common clean oil line.
The purpose of valve "6" is to allow the discharge of purified oil from **Purifier B** to cross-connect and potentially feed into the inlet side of **Purifier A** (or vice versa, depending on the illustrated piping and direction). This configuration is characteristic of a **"series"** operation (where the output of one purifier is the input of the next).
If the purifiers are running in **"parallel"**, each purifier must operate independently. Valve "6" (the bypass or cross-connection valve between the two purifier lines) must be **closed** to prevent the purified oil from one unit from re-entering the suction side of the other, or mixing incorrectly, ensuring that both units are drawing raw feed directly from the common inlet header.
### Explanation for Incorrect Options
**A) valve "2" would be closed:** Valve "2" is located on the purified oil outlet line of Purifier B. Since Purifier B is running in parallel, its purified oil must be discharged. Therefore, valve "2" must be **open**.
**B) valve "3" would be closed:** Valve "3" is located on the raw oil feed inlet line to Purifier A. Since Purifier A is running in parallel, it requires raw feed oil. Therefore, valve "3" must be **open**.
**D) All of the above:** Since options A and B are incorrect (the valves must be open for parallel operation), this combined option is incorrect.
Related Questions
#23 Which of the following statements is true concerning the Halon 1301 fire extinguishing agent?#23 As shown in figure "B" in the illustrated block diagram of a central operating system configured for supervisory
control, what is the function of the block "ANALOG (A-D MUX)"? Illustration EL-0094#25 The vessel to which you are assigned has main engines fitted with intake and exhaust systems as shown in
the illustration. Assume that the vacuum between the air filter and the turbocharger blower inlet is 12" of water
column (negative with respect to atmospheric pressure) when the engine is running at 50% of maximum,
continuous rated load. What will happen to the suction vacuum when the load is increased to 100% of
maximum continuous rated load? Illustration MO-0076