Question 82Electricity/Electronics - QMED70% to pass
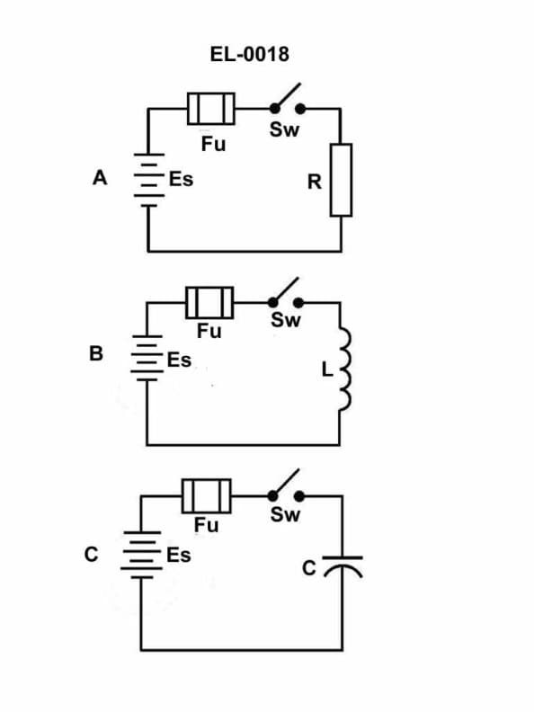
What will be the resulting current when a voltage of 115 VDC is applied to a resistance of 12 ohms in figure "A" of the illustrated circuit with the switch closed? Illustration EL-0018

AI Explanation
The correct answer is B) 9.58 amps.
The reasoning is based on Ohm's law, which states that the current (I) flowing through a resistor is equal to the voltage (V) divided by the resistance (R). In this case, with a voltage of 115 VDC and a resistance of 12 ohms, the current can be calculated as I = V/R, which equals 115 V / 12 ohms = 9.58 amps.
The other options are incorrect because:
A) 1.24 amps is too low, as it does not match the calculation.
C) 104.34 amps is too high, as it does not match the calculation.
D) 127 amps is also too high, as it does not match the calculation.
Related Questions
#80 What would be the total current flowing in the circuit shown in figure "B" of the illustration if the source is 30 volts, the resistance of R1 is 10 ohms, R2 is 10 ohms and R3 is 10 ohms, respectively? Illustration EL-0032 #81 If the voltage supplied to the lighting circuit is 110 volts, how much current is drawn by a 100 watt light bulb? #83 What will be the resulting current when a voltage of 110 VDC is applied to a resistance of 32 ohms in figure "A" of the illustrated circuit when the switch is closed? Illustration EL-0018 #84 What would be the indication of a burned-out LED? #85 Which of the following conditions would most likely lead to the failure of a resistor due to overheating?