Question 211General Subjects - Assistant Engineer70% to pass
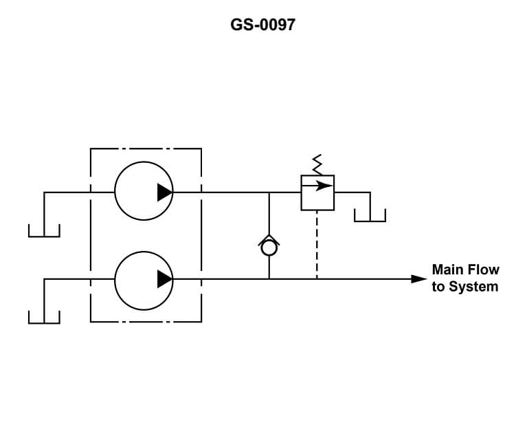
The illustrated hydraulic pump graphic symbol is used to depict a/an _______________. Illustration GS-0097

AI Explanation
The correct answer is C) double pump unit.
The illustrated hydraulic pump graphic symbol GS-0097 depicts a double pump unit, which is a hydraulic component that has two separate pumping elements within a single housing. This configuration allows for simultaneous operation of two independent pumping functions, providing increased hydraulic power and redundancy compared to a single pump unit.
The other answer choices are incorrect because: A) a combined pump unit refers to a single pump that can perform multiple functions, B) a series-flow pump unit has the pumping elements arranged in a sequential flow path, and D) a two-stage pump unit has a single pumping element with two distinct pressure stages.
Related Questions
#209 New piping and tubing to be installed in a hydraulic system can be safely degreased by using _______________.#210 Item "B" shown in the illustrated hydraulic circuit is used to _______________. Illustration GS-0103#212 Item "E" shown in the illustration is used in the hydraulic circuit as _______________. Illustration GS-0103#213 An arrow superimposed on a hydraulic graphic symbol at approximately 45°, as shown in the illustrated figures A, B, and C, indicates the component _______________. Illustration GS-0068#214 The ability of a metal to be hammered, or rolled out is called its _______________.